Founded in 2002 as a equipment rental company specializing in amine treating, mechanical refrigeration, and hydrocarbon dewpoint control. Since inception, GPI has grown to include a fleet of more than 45 modular, skid mounted processing units with a footprint spanning seven states. Although the core business has been and still is supplying rental equipment to upstream and midstream operators, as of 2017 GPI began building and operating their own midstream facilities as a midstream operator.

GPI has project managers, welders, drafters, and other personnel capable of taking most any midstream project from fruition to startup. Our network of professional partnerships allow us to source and/or build equipment in an expeditious manner normally not capable within the industry.

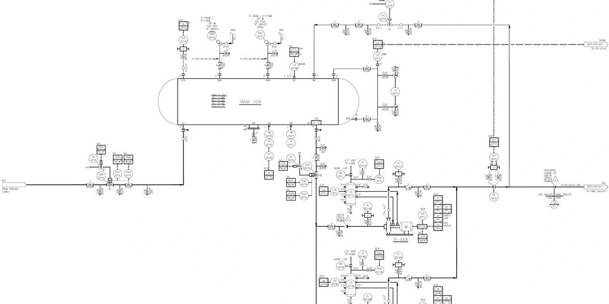
GPI operates multiple facilities throughout the US. We can take a project past mechanical completion, through startup, and continue to deliver optimal performance and run-time.

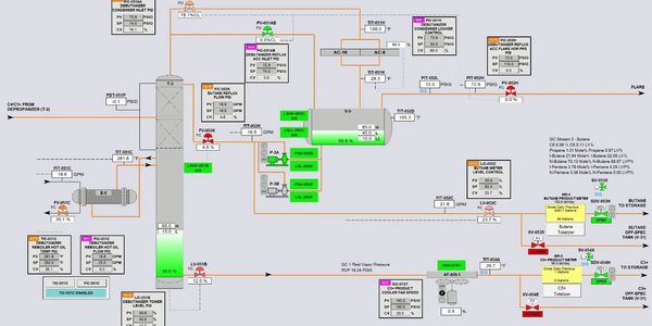
Our in house process engineering group has vast experience in the midstream industry. Our particular specialties are plant startups and troubleshooting. Reach out with any questions, we love a good challenge.
Our equipment and services are offered on flexible terms that are customized to meet the specific requirements of each project.
Such terms include:
If working in a fast paced environment with high quality coworkers is of interest to you please send us your resume. Working at GPI feels like working with friends and family and we take pride in the culture here.



We use cookies to analyze website traffic and optimize your website experience. By accepting our use of cookies, your data will be aggregated with all other user data.